
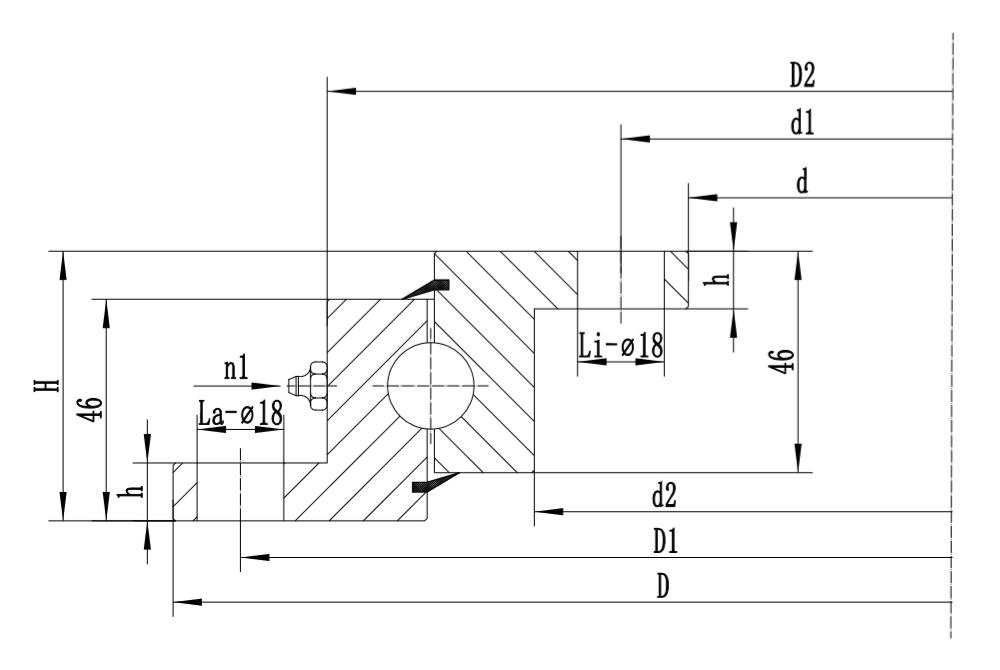
| 型號 | ?尺寸 (mm) | 安裝尺寸 (mm) | 結(jié)構(gòu)尺寸 (mm) | 載荷 Coa |
重量 | |||||||||||||||||
| INA No. | Rothe Erde No. | TG No. | Da | D | di | H | La | Li | n1 | n2 | φ1 | φ2 | D1 | d | b | h | B | C | Di | da | (KN) | (KG) |
| 定制法蘭軸承 | 401 | 233 | 40 | 380 | 260 | 8 | 8 | 14 | φ14 | 298 | 348 | 30.5 | 30.5 | 320 | 322 | 65 | 11 | |||||
| 定制法蘭軸承 | 401 | 233 | 40 | 380 | 260 | 8 | 8 | 14 | φ14 | 298 | 318 | 30.5 | 30.5 | 320 | 322 | 65 | 11 | |||||
| 定制法蘭軸承 | 360 | 256 | 19.05 | 340 | 276 | 12 | 12 | φ9 | M8 | 325 | 2.05 | 17 | 17 | 302 | 300 | 240 | 4.7 | |||||
| 定制法蘭軸承 | 230.20.0400.013? | 518 | 304 | 56 | 490 | 332 | 8 | 12 | 18 | 18 | 10.5 | 45.5 | 45.5 | 415.5 | 412.5 | 250 | 23.4 | |||||
| 定制法蘭軸承 | 230.20.0400.503? | 518 | 304 | 56 | 490 | 332 | 16 | 24 | 18 | 18 | 10.5 | 45.5 | 45.5 | 415.5 | 412.5 | 250 | 23 | |||||
| 定制法蘭軸承 | 518 | 304 | 56 | 490 | 332 | 8 | 12 | 18 | φ18 | 454 | 368 | 10 | 46 | 46 | 415 | 411 | 480 | 25.3 | ||||
| --- | 518 | 304 | 56 | 490 | 332 | 8 | 12 | 18 | φ18 | 456 | 372 | 10 | 46 | 46 | 415.5 | 412.5 | 620 | 23.5 | ||||
| --- | SD.505.20.00.C? | 518 | 304 | 56 | 490 | 332 | 8 | 12 | 18 | φ18 | 453 | 375 | 10 | 46 | 46 | 415.5 | 412.5 | 500 | 24.3 | |||
| VLU200414ZT? | 518 | 304 | 56 | 490 | 332 | 8 | 12 | φ18 | φ18 | 458.5 | 369.5 | 8.5 | 47.5 | 47.5 | 415.5 | 412.5 | 600 | 26.5 | ||||
| VLU200414? | 518 | 304 | 56 | 490 | 332 | 8 | 12 | 18 | 18 | 8.5 | 47.5 | 47.5 | 415.5 | 412.5 | 295 | 23.5 | ||||||
| 230.21.0475.013? | 517 | 305 | 56 | 490 | 332 | 8 | 12 | 18 | 18 | 10.5 | 45.5 | 45.5 | 415.5 | 412.5 | 250 | 23.4 | ||||||
| 500 | 310 | 52 | 475 | 340 | 8 | 8 | φ13 | φ13 | 374 | 446 | 40 | 40 | 404 | 405 | 370 | 23 | ||||||
| 501 | 333 | 40 | 480 | 360 | 12 | 12 | M12 | M12 | 396 | 446 | 30.5 | 30.5 | 418 | 420 | 88 | 13.6 | ||||||
| 501 | 333 | 40 | 480 | 360 | 8 | 8 | 14.3 | φ14.3 | 396 | 446 | 30.5 | 30.5 | 418 | 420 | 88 | 13.6 | ||||||
| 230.20.0500.013? | 648 | 434 | 56 | 620 | 462 | 10 | 14 | 18 | 18 | 10.5 | 45.5 | 45.5 | 545.5 | 542.5 | 330 | 31 | ||||||
| 230.20.0500.503? | 648 | 434 | 56 | 620 | 462 | 20 | 28 | 18 | 18 | 10.5 | 45.5 | 45.5 | 545.5 | 542.5 | 330 | 30.4 | ||||||
| 648 | 434 | 56 | 620 | 462 | 10 | 14 | 18 | φ18 | 582 | 500 | 11.5 | 44.5 | 44.5 | 542 | 540 | 840 | 33 | |||||
| 648 | 434 | 56 | 620 | 462 | 10 | 14 | 18 | φ18 | 584 | 498 | 10 | 46 | 46 | 544 | 541 | 610 | 33.5 | |||||
| SD.650.20.00.C? | 648 | 434 | 56 | 620 | 462 | 10 | 14 | 18 | φ18 | 583 | 505 | 10 | 46 | 46 | 545.5 | 542.5 | 660 | 32 | ||||
| 648 | 434 | 56 | 620 | 462 | 10 | 14 | φ18 | φ18 | 582 | 500 | 11.5 | 44.5 | 44.5 | 542 | 540 | 840 | 33 | |||||
| 230.20.0500.013? | 648 | 434 | 56 | 620 | 462 | 20 | 28 | φ18 | φ18 | 583 | 505 | 10.5 | 45.5 | 45.5 | 545.5 | 542.5 | 660 | 30.4 | ||||
| VLU200544ZT? | 648 | 434 | 56 | 620 | 462 | 10 | 14 | φ18 | φ18 | 588.5 | 499.5 | 8.5 | 47.5 | 47.5 | 545.5 | 542.5 | 800 | 35.4 | ||||
| VLU200544? | 648 | 434 | 56 | 620 | 462 | 10 | 14 | 18 | 18 | 8.5 | 47.5 | 47.5 | 545.5 | 542.5 | 385 | 31 | ||||||
| SD.650.20.00.C? | 648 | 434 | 56 | 620 | 462 | 10 | 14 | φ18 | φ18 | 583 | 505 | 10 | 46 | 46 | 545.5 | 542.5 | 400 | 31 | ||||
| 230.21.0575.013? | 647 | 435 | 56 | 620 | 462 | 10 | 14 | 18 | 18 | 10.5 | 45.5 | 45.5 | 545.5 | 542.5 | 330 | 31 | ||||||
| 230.20.0600.013? | 748 | 534 | 56 | 720 | 562 | 12 | 16 | 18 | 18 | 10.5 | 45.5 | 45.5 | 645.5 | 642.5 | 390 | 36.4 | ||||||
| 230.20.0600.503? | 748 | 534 | 56 | 720 | 562 | 24 | 32 | 18 | 18 | 10.5 | 45.5 | 45.5 | 645.5 | 642.5 | 390 | 35.8 | ||||||
| SD.750.20.00.C? | 748 | 534 | 56 | 720 | 562 | 12 | 16 | 18 | φ18 | 683 | 605 | 10 | 46 | 46 | 645.5 | 642.5 | 780 | 38 | ||||
| VLU200644ZT? | 748 | 534 | 56 | 720 | 562 | 12 | 16 | φ18 | φ18 | 685 | 602 | 8.5 | 47.5 | 47.5 | 645.5 | 642.5 | 780 | 38 | ||||
| VLU200644ZT? | 748 | 534 | 56 | 720 | 562 | 12 | 16 | φ18 | φ18 | 688.5 | 599.5 | 8.5 | 47.5 | 47.5 | 645.5 | 642.5 | 900 | 42 | ||||
| 748 | 534 | 56 | 720 | 562 | 12 | 16 | φ18 | φ18 | 685 | 598 | 10 | 46 | 46 | 645.5 | 642.5 | 780 | 38 | |||||
| VLU200644? | 748 | 534 | 56 | 720 | 562 | 12 | 16 | 18 | 18 | 8.5 | 47.5 | 47.5 | 645.5 | 642.5 | 455 | 36.5 | ||||||
| SD.750.20.00.C? | 748 | 534 | 56 | 720 | 562 | 12 | 16 | φ18 | φ18 | 683 | 605 | 10 | 46 | 46 | 645.5 | 642.5 | 460 | 36.5 | ||||
| 230.21.0675.013? | 747 | 535 | 56 | 720 | 562 | 12 | 16 | 18 | 18 | 10.5 | 45.5 | 45.5 | 645.5 | 642.5 | 390 | 36.4 | ||||||
| SD.750.20.00.C? | 746 | 536 | 56 | 720 | 562 | 12 | 16 | φ18 | φ18 | 683 | 605 | 10 | 46 | 46 | 645.5 | 642.5 | 780 | 38 | ||||
| 850 | 632 | 56 | 820 | 662 | 13 | 14 | 16.5 | φ16.5 | 786 | 702 | 11.5 | 44.5 | 44.5 | 746 | 742 | 670 | 42.7 | |||||
| 230.20.0700.013? | 848 | 634 | 56 | 820 | 662 | 12 | 16 | 18 | 18 | 10.5 | 45.5 | 45.5 | 745.5 | 742.5 | 450 | 42.8 | ||||||
| 230.20.0700.503? | 848 | 634 | 56 | 820 | 662 | 24 | 32 | 18 | 18 | 10.5 | 45.5 | 45.5 | 745.5 | 742.5 | 450 | 42.2 | ||||||
| 848 | 634 | 56 | 820 | 662 | 12 | 16 | 18 | φ18 | 784 | 698 | 10 | 46 | 46 | 745 | 741 | 840 | 45.9 | |||||
| 848 | 634 | 56 | 820 | 662 | 12 | 16 | 18 | φ18 | 783 | 705 | 10 | 46 | 46 | 745.5 | 742.5 | 1000 | 42.5 | |||||
| 848 | 634 | 56 | 820 | 662 | 12 | 16 | φ13 | φ13 | 789 | 695 | 10 | 46 | 46 | 745.5 | 742.5 | 1000 | 47.5 | |||||
| VLU200744ZT? | 848 | 634 | 56 | 820 | 662 | 12 | 16 | φ18 | φ18 | 788.5 | 699.5 | 8.5 | 47.5 | 47.5 | 745.5 | 742.5 | 1050 | 45 | ||||
| VLU200744? | 848 | 634 | 56 | 820 | 662 | 12 | 16 | 18 | 18 | 8.5 | 47.5 | 47.5 | 745.5 | 742.5 | 530 | 42.5 | ||||||
| 230.21.0775.013? | 847 | 635 | 56 | 820 | 662 | 12 | 16 | 18 | 18 | 10.5 | 45.5 | 45.5 | 745.5 | 742.5 | 450 | 42.8 | ||||||
| 230.20.0800.013? | 948 | 734 | 56 | 920 | 762 | 14 | 18 | 18 | 18 | 10.5 | 45.5 | 45.5 | 845.5 | 842.5 | 510 | 47.8 | ||||||
| 230.20.0800.503? | 948 | 734 | 56 | 920 | 762 | 28 | 36 | 18 | 18 | 10.5 | 45.5 | 45.5 | 845.5 | 842.5 | 510 | 47.1 | ||||||
| 948 | 734 | 56 | 920 | 762 | 14 | 18 | 18 | φ18 | 884 | 798 | 10 | 46 | 46 | 845 | 841 | 970 | 52.5 | |||||
| 948 | 734 | 56 | 920 | 762 | 14 | 18 | 18 | φ18 | 883 | 805 | 10 | 46 | 46 | 844 | 840 | 1350 | 48.8 | |||||
| SD.950.20.00.C? | 948 | 734 | 56 | 920 | 762 | 14 | 18 | 18 | φ18 | 883 | 805 | 10 | 46 | 46 | 845.5 | 842.5 | 1030 | 50 | ||||
| VLU200844ZT? | 948 | 734 | 56 | 920 | 762 | 14 | 18 | φ18 | φ18 | 888.5 | 799.5 | 8.5 | 47.5 | 47.5 | 845.5 | 842.5 | 1200 | 53.8 | ||||
| VLU200844? | 948 | 734 | 56 | 920 | 762 | 14 | 18 | 18 | 18 | 8.5 | 47.5 | 47.5 | 845.5 | 842.5 | 600 | 48 | ||||||
| 230.21.0875.013? | 947 | 735 | 56 | 920 | 762 | 14 | 18 | 18 | 18 | 10.5 | 45.5 | 45.5 | 845.5 | 842.5 | 510 | 47.8 | ||||||
| SD.950.20.00.C? | 946 | 736 | 56 | 920 | 762 | 14 | 18 | φ18 | φ18 | 883 | 805 | 10 | 46 | 46 | 845.5 | 842.5 | 1030 | 50 | ||||
| 280.30.0900.013? | 1100 | 805 | 90 | 1060 | 845 | 30 | 30 | 22 | 22 | 19 | 71 | 71 | 953.5 | 956.5 | 1750 | 131 | ||||||
| VLU 300955? | 1100 | 805 | 90 | 1060 | 845 | 30 | 30 | 22 | 22 | 19 | 71 | 71 | 953 | 957 | 2550 | 135 | ||||||
| SD.1100.32.00.C? | 1100 | 805 | 90 | 1060 | 845 | 30 | 30 | φ22 | φ22 | 1017 | 893 | 19 | 71 | 71 | 955 | 955 | 2250 | 131 | ||||
| 280.30.0975.013? | 1098 | 807 | 90 | 1060 | 845 | 30 | 30 | 22 | 22 | 19 | 71 | 71 | 953.5 | 956.5 | 1750 | 131 | ||||||
| 230.20.0900.013? | 1048 | 834 | 56 | 1020 | 862 | 16 | 20 | 18 | 18 | 10.5 | 45.5 | 45.5 | 945.5 | 942.5 | 570 | 53.1 | ||||||
| 230.20.0900.503? | 1048 | 834 | 56 | 1020 | 862 | 32 | 40 | 18 | 18 | 10.5 | 45.5 | 45.5 | 945.5 | 942.5 | 570 | 52.3 | ||||||
| SD.1050.20.00.C? | 1048 | 834 | 56 | 1020 | 862 | 16 | 20 | 18 | φ18 | 983 | 905 | 10 | 46 | 46 | 945.5 | 942.5 | 1440 | 55.6 | ||||
| VLU200944ZT? | 1048 | 834 | 56 | 1020 | 862 | 16 | 20 | φ18 | φ18 | 988.5 | 899.5 | 8.5 | 47.5 | 47.5 | 945.5 | 942.5 | 1350 | 61 | ||||
| VLU200944? | 1048 | 834 | 56 | 1020 | 862 | 16 | 20 | 18 | 18 | 8.5 | 47.5 | 47.5 | 945.5 | 942.5 | 670 | 54 | ||||||
| 230.21.0975.013? | 1047 | 835 | 56 | 1020 | 862 | 16 | 20 | 18 | 18 | 10.5 | 45.5 | 45.5 | 945.5 | 942.5 | 570 | 53.1 | ||||||
| 280.30.1000.013? | 1200 | 905 | 90 | 1160 | 945 | 30 | 30 | 22 | 22 | 19 | 71 | 71 | 1053.5 | 1056.5 | 1840 | 145 | ||||||
| VLU301055? | 1200 | 905 | 90 | 1160 | 945 | 30 | 30 | 22 | 22 | 19 | 71 | 71 | 1053 | 1057 | 2800 | 149 | ||||||
| SD.1200.32.00.C? | 1200 | 905 | 90 | 1160 | 945 | 30 | 30 | φ22 | φ22 | 1117 | 993 | 19 | 71 | 71 | 1055 | 1055 | 2500 | 145 | ||||
| 280.30.1075.013? | 1198 | 907 | 90 | 1160 | 945 | 30 | 30 | 22 | 22 | 19 | 71 | 71 | 1053.5 | 1056.5 | 1840 | 145 | ||||||
| 1206 | 978 | 52 | 1168.4 | 1012.9 | 32 | 40 | 17 | M16 | 1132 | 1046 | 12 | 40 | 40 | 1094 | 1090 | 1500 | 63.5 | |||||
| 230.20.1000.013? | 1198 | 984 | 56 | 1170 | 1012 | 16 | 20 | 18 | 18 | 10.5 | 45.5 | 45.5 | 1095.5 | 1092.5 | 665 | 61.9 | ||||||
| 230.20.1000.503? | 1198 | 984 | 56 | 1170 | 1012 | 32 | 40 | 18 | 18 | 10.5 | 45.5 | 45.5 | 1095.5 | 1092.5 | 665 | 61.1 | ||||||
| SD.1200.20.00.C? | 1198 | 984 | 56 | 1170 | 1012 | 16 | 20 | 18 | φ18 | 1133 | 1055 | 10 | 46 | 46 | 1095.5 | 1092.5 | 1700 | 62.8 | ||||
| VLU 201094? | 1198 | 984 | 56 | 1170 | 1012 | 16 | 20 | 18 | 18 | 8.5 | 47.5 | 47.5 | 1095.5 | 1092.5 | 770 | 62.5 | ||||||
| SD.1200.20.00.C? | 1198 | 984 | 56 | 1170 | 1012 | 16 | 20 | φ18 | φ18 | 1133 | 1055 | 10 | 46 | 46 | 1095.5 | 1092.5 | 780 | 62 | ||||
| 230.21.1075.013? | 1197 | 985 | 56 | 1170 | 1012 | 16 | 20 | 18 | 18 | 10.5 | 45.5 | 45.5 | 1095.5 | 1092.5 | 665 | 61.9 | ||||||
| 1198 | 988 | 57 | 1170 | 1012 | 18 | 20 | φ18 | φ18 | 1132 | 1052 | 12 | 45 | 45 | 1094 | 1090 | 1750 | 61.6 | |||||
| 280.30.1100.013? | 1300 | 1005 | 90 | 1260 | 1045 | 36 | 36 | 22 | 22 | 19 | 71 | 71 | 1153.5 | 1156.5 | 1900 | 159 | ||||||
| VLU 301155? | 1300 | 1005 | 90 | 1260 | 1045 | 36 | 36 | 22 | 22 | 19 | 71 | 71 | 1153 | 1157 | 3100 | 164 | ||||||
| SD.1300.32.00.C? | 1300 | 1005 | 90 | 1260 | 1045 | 36 | 36 | φ22 | φ22 | 1217 | 1093 | 19 | 71 | 71 | 1155 | 1155 | 2700 | 159 | ||||
| 280.30.1175.013? | 1298 | 1007 | 90 | 1260 | 1045 | 36 | 36 | 22 | 22 | 19 | 71 | 71 | 1153.5 | 1156.5 | 1900 | 159 | ||||||