
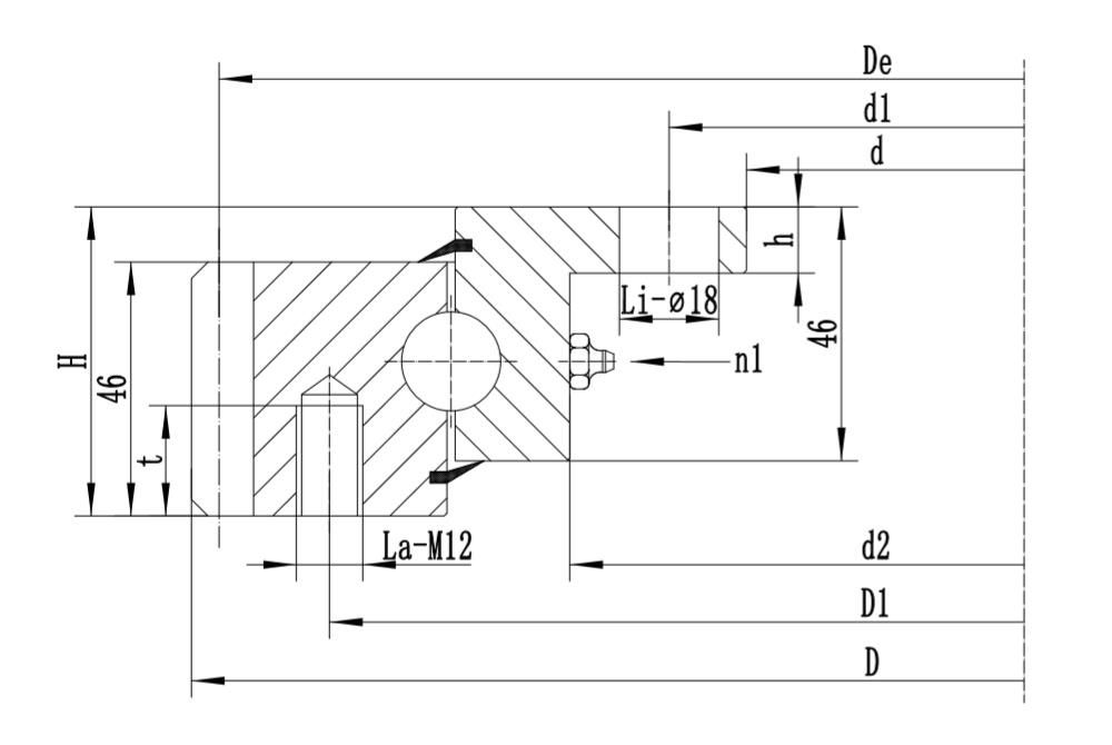
| 型號 | ?尺寸 (mm) | 安裝尺寸 (mm) | 結(jié)構(gòu)尺寸 (mm) | 齒(mm) | 載荷 Coa |
重量 | ||||||||||||||||||||
| INA No. | Rothe Erde No. | TG No. | Da | D | di | H | La | Li | n1 | n2 | φ1 | φ2 | D1 | d | b | h | B | C | Di | da | m | z | do | x | (KN) | (KG) |
| VLA200414N ZT? | 503.3 | 304 | 56 | 455 | 332 | 10 | 12 | M12 | φ18 | 480 | 369.5 | 40 | 8.5 | 47.5 | 44.5 | 415.5 | 412.5 | 5 | 99 | 495 | 600 | 31.2 | ||||
| VLA200414N? | 503.3 | 304 | 56 | 455 | 332 | 10 | 12 | M12 | 18 | 480 | 40 | 11.5 | 47.5 | 44.5 | 415.5 | 412.5 | 5 | 99 | 495 | 295 | 29.5 | |||||
| 法蘭轉(zhuǎn)盤軸承 | 231.20.0400.013? | 504 | 304 | 56 | 455 | 332 | 10 | 12 | M12 | 18 | 45.5 | 10.5 | 45.5 | 45.5 | 415.5 | 412.5 | 5 | 99 | 495 | 250 | 29.3 | |||||
| 法蘭轉(zhuǎn)盤軸承 | 231.20.0400.503? | 504 | 304 | 56 | 455 | 332 | 10 | 24 | M12 | 18 | 45.5 | 10.5 | 45.5 | 45.5 | 415.5 | 412.5 | 5 | 99 | 495 | 250 | 29 | |||||
| 法蘭轉(zhuǎn)盤軸承 | E.505.20.00.C? | 504 | 304 | 56 | 455 | 332 | 10 | 12 | M12 | φ18 | 375 | 46 | 10 | 46 | 46 | 415.5 | 412.5 | 5 | 99 | 495 | 500 | 33.3 | ||||
| 法蘭轉(zhuǎn)盤軸承 | E.505.20.C? | 504 | 304 | 56 | 455 | 332 | 10 | 12 | M12 | φ18 | 373 | 46 | 10 | 46 | 46 | 415.5 | 412.5 | 5 | 99 | 495 | 640 | 34 | ||||
| 法蘭轉(zhuǎn)盤軸承 | 505 | 304 | 56 | 455 | 332 | 10 | 12 | M12 | φ18 | 368 | 56 | 10 | 46 | 46 | 413 | 409 | 5 | 99 | 495 | 470 | 32 | |||||
| 法蘭轉(zhuǎn)盤軸承 | 231.21.0475.013? | 504 | 305 | 56 | 455 | 332 | 10 | 12 | M12 | 18 | 45.5 | 10.5 | 45.5 | 45.5 | 417 | 412.5 | 5 | 99 | 495 | 250 | 29.3 | |||||
| VLA200544N ZT? | 640.3 | 434 | 56 | 585 | 462 | 14 | 14 | M12 | φ18 | 502 | 44.5 | 11.5 | 44.5 | 44.5 | 545.5 | 542.5 | 6 | 105 | 630 | 670 | 41.5 | |||||
| VLA200544N ZT? | 640.3 | 434 | 56 | 585 | 462 | 14 | 14 | M12 | φ18 | 499.5 | 44.5 | 8.5 | 47.5 | 44.5 | 545.5 | 542.5 | 6 | 105 | 630 | 790 | 41.6 | |||||
| VLA200544N? | 640.3 | 434 | 56 | 585 | 462 | 14 | 14 | M12 | 18 | 44.5 | 11.5 | 47.5 | 44.5 | 545.5 | 542.5 | 6 | 105 | 630 | 385 | 41.5 | ||||||
| 定制法蘭轉(zhuǎn)盤 | 231.20.0500.013? | 640.8 | 434 | 56 | 585 | 462 | 14 | 14 | M12 | 18 | 45.5 | 10.5 | 45.5 | 45.5 | 545.5 | 542.5 | 6 | 105 | 630 | 330 | 39.5 | |||||
| 定制法蘭軸承 | 231.20.0500.503? | 640.8 | 434 | 56 | 585 | 462 | 14 | 28 | M12 | 18 | 45.5 | 10.5 | 45.5 | 45.5 | 545.5 | 542.5 | 6 | 105 | 630 | 330 | 39.2 | |||||
| 定制法蘭軸承 | E.650.20.C? | 640.8 | 434 | 56 | 585 | 462 | 14 | 14 | M12 | φ18 | 505 | 46 | 10 | 46 | 46 | 545.5 | 542.5 | 6 | 105 | 630 | 670 | 40.6 | ||||
| 定制法蘭軸承 | 231.20.0500.503? | 640.8 | 434 | 56 | 585 | 462 | 14 | 28 | M12 | φ18 | 505 | 45.5 | 10.5 | 45.5 | 45.5 | 545.5 | 542.5 | 6 | 105 | 630 | 660 | 40.6 | ||||
| --- | 231.21.0575.013? | 640.8 | 435 | 56 | 585 | 462 | 14 | 14 | M12 | 18 | 45.5 | 10.5 | 45.5 | 45.5 | 547 | 542.5 | 6 | 105 | 630 | 330 | 39.5 | |||||
| --- | 742 | 534 | 56 | 685 | 562 | 16 | 16 | M12 | φ18 | 598 | 46 | 10 | 46 | 46 | 645 | 641 | 6 | 122 | 732 | 740 | 51.4 | |||||
| VLA 200644N ZT? | 742.3 | 534 | 56 | 685 | 562 | 16 | 16 | M12 | φ18 | 599.5 | 44.5 | 8.5 | 47.5 | 44.5 | 645.5 | 642.5 | 6 | 122 | 732 | 900 | 50 | |||||
| VLA 200644N? | 742.3 | 534 | 56 | 685 | 562 | 16 | 16 | M12 | 18 | 44.5 | 11.5 | 47.5 | 44.5 | 645.5 | 642.5 | 6 | 122 | 732 | 455 | 48.5 | ||||||
| 231.20.0600.013? | 742.8 | 534 | 56 | 685 | 562 | 16 | 16 | M12 | 18 | 45.5 | 10.5 | 45.5 | 45.5 | 645.5 | 642.5 | 6 | 122 | 732 | 390 | 47.6 | ||||||
| 231.20.0600.503? | 742.8 | 534 | 56 | 685 | 562 | 16 | 32 | M12 | 18 | 45.5 | 10.5 | 45.5 | 45.5 | 645.5 | 642.5 | 6 | 122 | 732 | 390 | 47.2 | ||||||
| E.750.20.00.C? | 742.8 | 534 | 56 | 685 | 562 | 16 | 16 | M12 | φ18 | 605 | 46 | 10 | 46 | 46 | 645.5 | 642.5 | 6 | 122 | 732 | 780 | 55.1 | |||||
| 231.21.0675.013? | 742.8 | 535 | 56 | 685 | 562 | 16 | 16 | M12 | 18 | 45.5 | 10.5 | 45.5 | 45.5 | 647 | 642.5 | 6 | 122 | 732 | 390 | 47.6 | ||||||
| 744 | 535 | 58 | 685 | 562 | 16 | 12 | M12 | M12 | 600 | 46 | 12 | 46 | 46 | 643 | 642 | 6 | 122 | 732 | 333 | 54.7 | ||||||
| VLA200744N ZT? | 838.1 | 634 | 56 | 785 | 662 | 18 | 16 | M12 | φ18 | 699.5 | 44.5 | 8.5 | 47.5 | 44.5 | 745.5 | 742.5 | 6 | 138 | 828 | 1050 | 56 | |||||
| VLA 200744N? | 838.1 | 634 | 56 | 785 | 662 | 18 | 16 | M12 | 18 | 44.5 | 11.5 | 47.5 | 44.5 | 745.5 | 742.5 | 6 | 138 | 828 | 530 | 54.5 | ||||||
| 231.20.0700.013? | 838.8 | 634 | 56 | 785 | 662 | 18 | 16 | M12 | 18 | 45.5 | 10.5 | 45.5 | 45.5 | 745.5 | 742.5 | 6 | 138 | 828 | 450 | 53.5 | ||||||
| 231.20.0700.503? | 838.8 | 634 | 56 | 785 | 662 | 18 | 32 | M12 | 18 | 45.5 | 10.5 | 45.5 | 45.5 | 745.5 | 742.5 | 6 | 138 | 828 | 450 | 53.1 | ||||||
| E.850.20.00.C? | 838.8 | 634 | 56 | 785 | 662 | 18 | 16 | M12 | φ18 | 705 | 46 | 10 | 46 | 46 | 745.5 | 742.5 | 6 | 138 | 828 | 910 | 60 | |||||
| 840 | 634 | 56 | 785 | 662 | 18 | 16 | M12 | φ18 | 698 | 46 | 10 | 46 | 46 | 745 | 741 | 6 | 138 | 828 | 840 | 57.7 | ||||||
| 231.21.0775.013? | 838.8 | 635 | 56 | 785 | 662 | 18 | 16 | M12 | 18 | 45.5 | 10.5 | 45.5 | 45.5 | 747 | 742.5 | 6 | 138 | 828 | 450 | 53.5 | ||||||
| 924 | 731 | 58 | 865 | 758 | 16 | 12 | M12 | M12 | 780 | 46 | 12 | 46 | 46 | 823 | 822 | 6 | 152 | 912 | 418 | 68 | ||||||
| 948 | 733 | 55 | 884 | 760 | 18 | 18 | M12 | φ18 | 800 | 45 | 10 | 45 | 45 | 842 | 838 | 8 | 117 | 936 | 1550 | 69.2 | ||||||
| 950 | 734 | 56 | 885 | 762 | 18 | 18 | M12 | φ18 | 798 | 46 | 10 | 46 | 46 | 845 | 841 | 8 | 117 | 936 | 920 | 69.2 | ||||||
| VLA200844N ZT? | 950.1 | 734 | 56 | 885 | 762 | 18 | 18 | M12 | φ18 | 799.5 | 44.5 | 8.5 | 47.5 | 44.5 | 845.5 | 842.5 | 8 | 117 | 936 | 1200 | 66.4 | |||||
| VLA 200844N? | 950.1 | 734 | 56 | 885 | 762 | 18 | 18 | M12 | 18 | 44.5 | 11.5 | 47.5 | 44.5 | 845.5 | 842.5 | 8 | 117 | 936 | 600 | 65.5 | ||||||
| 231.20.0800.013? | 950.4 | 734 | 56 | 885 | 762 | 18 | 18 | M12 | 18 | 45.5 | 10.5 | 45.5 | 45.5 | 845.5 | 842.5 | 8 | 117 | 936 | 510 | 65.1 | ||||||
| 231.20.0800.503? | 950.4 | 734 | 56 | 885 | 762 | 18 | 36 | M12 | 18 | 45.5 | 10.5 | 45.5 | 45.5 | 845.5 | 842.5 | 8 | 117 | 936 | 510 | 64.7 | ||||||
| E.950.20.00.C? | 950.4 | 734 | 56 | 885 | 762 | 18 | 18 | M12 | φ18 | 805 | 46 | 10 | 46 | 46 | 845.5 | 842.5 | 8 | 117 | 936 | 1030 | 72.3 | |||||
| 231.21.0875.013? | 950.4 | 735 | 56 | 885 | 762 | 18 | 18 | M12 | 18 | 45.5 | 10.5 | 45.5 | 45.5 | 847 | 842.5 | 8 | 117 | 936 | 510 | 65.1 | ||||||
| VLA 300955N? | 1096 | 805 | 90 | 1016 | 845 | 30 | 30 | M20 | 22 | 71 | 19 | 71 | 71 | 953 | 957 | 9 | 120 | 1080 | 2550 | 170 | ||||||
| 281.30.0900.013? | 1096.2 | 805 | 90 | 1016 | 845 | 30 | 30 | M20 | 22 | 71 | 19 | 71 | 71 | 953.5 | 956.5 | 9 | 120 | 1080 | 1750 | 165 | ||||||
| 281.30.0900.013? | 1096.2 | 805 | 90 | 1016 | 845 | 30 | 30 | M20 | φ22 | 893 | 71 | 19 | 71 | 71 | 953.5 | 956.5 | 9 | 120 | 1080 | 2150 | 144 | |||||
| 1098 | 805 | 90 | 1016 | 845 | 30 | 30 | M20 | φ22 | 893 | 71 | 19 | 71 | 71 | 953.5 | 956.5 | 9 | 120 | 1080 | 976 | |||||||
| E.1100.32.00.C? | 1098 | 805 | 90 | 1016 | 845 | 30 | 30 | M20 | φ22 | 893 | 71 | 19 | 71 | 71 | 955 | 955 | 9 | 120 | 1080 | 2230 | 165 | |||||
| 281.30.0975.013? | 1096.2 | 807 | 90 | 1016 | 845 | 30 | 30 | M20 | 22 | 71 | 19 | 71 | 71 | 955 | 956.5 | 9 | 120 | 1080 | 1750 | 165 | ||||||
| 1046 | 834 | 56 | 985 | 862 | 20 | 20 | M12 | φ18 | 898 | 46 | 10 | 46 | 46 | 945 | 941 | 8 | 129 | 1032 | 1150 | 74.6 | ||||||
| VLA200944N ZT? | 1046.1 | 834 | 56 | 985 | 862 | 20 | 20 | M12 | φ18 | 899.5 | 44.5 | 8.5 | 47.5 | 44.5 | 945.5 | 942.5 | 8 | 129 | 1032 | 1350 | 72.4 | |||||
| VLA 200944N? | 1046.1 | 834 | 56 | 985 | 862 | 20 | 20 | M12 | 18 | 44.5 | 11.5 | 47.5 | 44.5 | 945.5 | 942.5 | 8 | 129 | 1032 | 670 | 71.5 | ||||||
| 231.20.0900.013? | 1046.4 | 834 | 56 | 985 | 862 | 20 | 20 | M12 | 18 | 45.5 | 10.5 | 45.5 | 45.5 | 845.5 | 942.5 | 8 | 129 | 1032 | 570 | 69.6 | ||||||
| 231.20.0900.503? | 1046.4 | 834 | 56 | 985 | 862 | 20 | 40 | M12 | 18 | 45.5 | 10.5 | 45.5 | 45.5 | 845.5 | 942.5 | 8 | 129 | 1032 | 570 | 69.1 | ||||||
| E.1050.20.00.C? | 1046.4 | 834 | 56 | 985 | 862 | 20 | 20 | M12 | φ18 | 905 | 46 | 10 | 46 | 46 | 945.5 | 942.5 | 8 | 129 | 1032 | 1440 | 82.3 | |||||
| 231.21.0975.013? | 1046.4 | 835 | 56 | 985 | 862 | 20 | 20 | M12 | 18 | 45.5 | 10.5 | 45.5 | 45.5 | 947 | 942.5 | 8 | 129 | 1032 | 570 | 69.6 | ||||||
| 281.30.1000.013? | 1198 | 905 | 90 | 1116 | 945 | 30 | 30 | M20 | 22 | 71 | 19 | 71 | 71 | 1053.5 | 1056.5 | 10 | 118 | 1180 | 1840 | 183 | ||||||
| VLA 301055N? | 1198 | 905 | 90 | 1116 | 945 | 30 | 30 | M20 | 22 | 71 | 19 | 71 | 71 | 1053 | 1057 | 10 | 118 | 1180 | 2800 | 188 | ||||||
| E.1200.32.00.C? | 1200 | 905 | 90 | 1116 | 945 | 30 | 30 | M20 | φ22 | 993 | 71 | 19 | 71 | 71 | 1055 | 1055 | 10 | 118 | 1180 | 2500 | 183 | |||||
| 281.30.1075.013? | 1198 | 907 | 90 | 1116 | 945 | 30 | 30 | M20 | 22 | 71 | 19 | 71 | 71 | 1055 | 1056.5 | 10 | 118 | 1180 | 1840 | 183 | ||||||
| VLA201094N ZT? | 1198.1 | 984 | 56 | 1135 | 1012 | 22 | 20 | M12 | φ18 | 1049.5 | 44.5 | 8.5 | 47.5 | 44.5 | 1095.5 | 1092.5 | 8 | 148 | 1184 | 2000 | 86 | |||||
| VLA 201094N? | 1198.1 | 984 | 56 | 1035 | 1012 | 22 | 20 | M12 | 18 | 44.5 | 11.5 | 47.5 | 44.5 | 1095.5 | 1092.5 | 8 | 148 | 1184 | 770 | 83.5 | ||||||
| 231.20.1000.013? | 1198.4 | 984 | 56 | 1135 | 1012 | 22 | 20 | M12 | 18 | 45.5 | 10.5 | 45.5 | 45.5 | 1095.5 | 1092.5 | 8 | 148 | 1184 | 665 | 83 | ||||||
| 231.20.1000.503? | 1198.4 | 984 | 56 | 1135 | 1012 | 22 | 40 | M12 | 18 | 45.5 | 10.5 | 45.5 | 45.5 | 1095.5 | 1092.5 | 8 | 148 | 1184 | 665 | 82.5 | ||||||
| E.1200.20.00.C? | 1198.4 | 984 | 56 | 1135 | 1012 | 22 | 20 | M12 | φ18 | 1055 | 46 | 10 | 46 | 46 | 1095.5 | 1092.5 | 8 | 148 | 1184 | 1700 | 99 | |||||
| 231.21.1075.013? | 1198.4 | 985 | 56 | 1135 | 1012 | 22 | 20 | M12 | 18 | 45.5 | 10.5 | 45.5 | 45.5 | 1097 | 1092.5 | 8 | 148 | 1184 | 665 | 83 | ||||||
| 281.30.1100.013? | 1298 | 1005 | 90 | 1216 | 1045 | 36 | 36 | M20 | 22 | 71 | 19 | 71 | 71 | 1153.5 | 1156.5 | 10 | 128 | 1280 | 1900 | 200 | ||||||
| VLA 301155N? | 1298 | 1005 | 90 | 1216 | 1045 | 36 | 36 | M20 | 22 | 71 | 19 | 71 | 71 | 1153 | 1157 | 10 | 128 | 1280 | 3100 | 206 | ||||||
| E.1300.32.00.C? | 1300 | 1005 | 90 | 1216 | 1045 | 36 | 36 | M20 | φ22 | 1093 | 71 | 19 | 71 | 71 | 1155 | 1155 | 10 | 128 | 1280 | 2700 | 200 | |||||
| 281.30.1175.013? | 1298 | 1007 | 90 | 1216 | 1045 | 36 | 36 | M20 | 22 | 71 | 19 | 71 | 71 | 1155 | 1156.5 | 10 | 128 | 1280 | 1900 | 200 | ||||||
| 281.30.1200.013? | 1398 | 1105 | 90 | 1316 | 1145 | 42 | 42 | M20 | 22 | 71 | 19 | 71 | 71 | 1253.5 | 1256.5 | 10 | 138 | 1380 | 1950 | 216 | ||||||
| VLA 301255N? | 1398 | 1105 | 90 | 1316 | 1145 | 42 | 42 | M20 | 22 | 71 | 19 | 71 | 71 | 1253 | 1257 | 10 | 138 | 1380 | 3350 | 223 | ||||||
| E.1400.32.00.C? | 1400 | 1105 | 90 | 1316 | 1145 | 42 | 42 | M20 | φ22 | 1193 | 71 | 19 | 71 | 71 | 1255 | 1255 | 10 | 138 | 1380 | 3000 | 216 | |||||
| 281.30.1275.013? | 1398 | 1107 | 90 | 1316 | 1145 | 42 | 42 | M20 | 22 | 71 | 19 | 71 | 71 | 1255 | 1256.5 | 10 | 138 | 1380 | 1950 | 216 | ||||||
| 281.30.1300.013? | 1498 | 1205 | 90 | 1416 | 1245 | 42 | 42 | M20 | 22 | 71 | 19 | 71 | 71 | 1353.5 | 1356.5 | 10 | 148 | 1480 | 2000 | 234 | ||||||
| VLA 301355N? | 1498 | 1205 | 90 | 1416 | 1245 | 42 | 42 | M20 | 22 | 71 | 19 | 71 | 71 | 1353 | 1357 | 10 | 148 | 1480 | 3600 | 241 | ||||||
| E.1500.32.00.C? | 1500 | 1205 | 90 | 1416 | 1245 | 42 | 42 | M20 | φ22 | 1293 | 71 | 19 | 71 | 71 | 1355 | 1355 | 10 | 148 | 1480 | 3220 | 234 | |||||
| 281.30.1375.013? | 1498 | 1207 | 90 | 1416 | 1245 | 42 | 42 | M20 | 22 | 71 | 19 | 71 | 71 | 1355 | 1356.5 | 10 | 148 | 1480 | 2000 | 234 | ||||||
| 281.30.1400.013? | 1598 | 1305 | 90 | 1516 | 1345 | 48 | 48 | M20 | 22 | 71 | 19 | 71 | 71 | 1453.5 | 1456.5 | 10 | 158 | 1580 | 2050 | 250 | ||||||
| 281.30.1400.013? | 1598 | 1305 | 90 | 1516 | 1345 | 48 | 48 | M20 | φ22 | 1393 | 71 | 19 | 71 | 71 | 1453.5 | 1456.5 | 10 | 158 | 1580 | 3261 | 252 | |||||
| VLA 301455N? | 1598 | 1305 | 90 | 1516 | 1345 | 48 | 48 | M20 | 22 | 71 | 19 | 71 | 71 | 1453 | 1457 | 10 | 158 | 1580 | 4000 | 258 | ||||||
| E.1600.32.00.C? | 1600 | 1305 | 90 | 1516 | 1345 | 48 | 48 | M20 | φ22 | 1393 | 71 | 19 | 71 | 71 | 1455 | 1455 | 10 | 158 | 1580 | 3350 | 250 | |||||
| 281.30.1475.013? | 1598 | 1307 | 90 | 1516 | 1345 | 48 | 48 | M20 | 22 | 71 | 19 | 71 | 71 | 1455 | 1456.5 | 10 | 158 | 1580 | 2050 | 250 | ||||||