
| 型號 | 尺寸 (mm) | 安裝尺寸 (mm) | 結構尺寸 (mm) | 齒 (mm) | 載荷 Coa |
重量 | |||||||||||||||||||
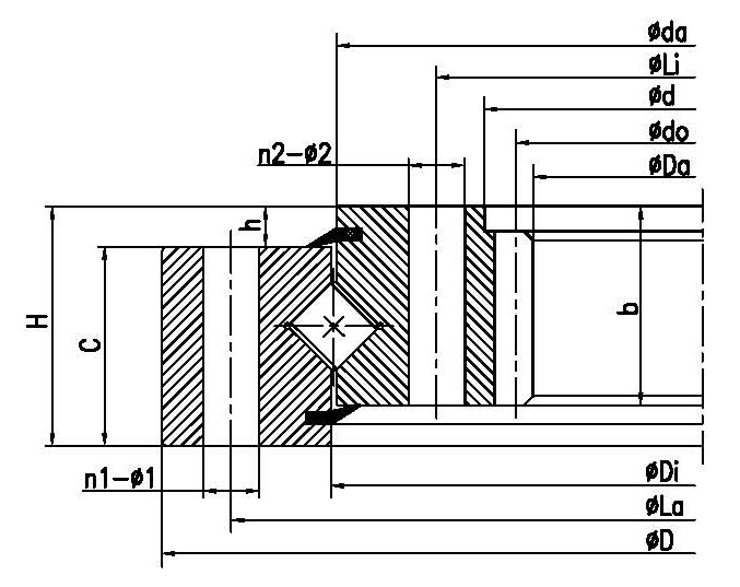
| INA? 代號 | LYC? 代號 | Da | D | di | H | La | Li | n1 | n2 | φ1 | φ2 | D1 | d | b | h | B | C | Di | da | m | z | do | x | (KN) | (KG) |
| XI 120288N? | 216 | 340 | 38 | 324 | 252 | 20 | 20 | 9 | 9 | 34 | 5 | 34 | 33 | 289 | 287 | 4 | 56 | 224 | 340 | 12 | |||||
| - | 304 | 475 | 55 | 448 | 352 | 16 | 16 | 13.5 | 13.5 | 46 | 9 | 46 | 46 | 402 | 398 | 4 | 77 | 308 | -0.5 | 490 | 31 | ||||
| XSI 140414N? | 325 | 484 | 56 | 460 | 375 | 24 | 24 | 14 | M12*20 | 350 | 40 | 11.5 | 44.5 | 44.5 | 415 | 411 | 5 | 67 | 335 | 520 | 31 | ||||
| XI 120420N? | 332 | 486 | 38 | 462 | 378 | 16 | 16 | 14 | 14 | 34 | 5 | 34 | 33 | 421 | 419 | 4 | 85 | 340 | 500 | 24 | |||||
| - | 336 | 536 | 62 | 505 | 395 | 16 | 16 | 15.5 | 15.5 | 53 | 9 | 53 | 53 | 452 | 448 | 6 | 57 | 342 | -0.5 | 760 | 48 | ||||
| - | 345 | 531 | 55 | 500 | 400 | 16 | 16 | 15.5 | 15.5 | 46 | 9 | 46 | 46 | 452 | 448 | 5 | 70 | 350 | -0.5 | 560 | 40 | ||||
| - | 114.25.500.**? | 360 | 602 | 75 | 566 | 434 | 20 | 20 | 18 | 18 | 398 | 60 | 10 | 65 | 65 | 501 | 499 | 6 | 62 | 372 | 0.5 | 1040 | 80 | ||
| - | 113.25.500.**? | 365 | 602 | 75 | 566 | 434 | 20 | 20 | 18 | 18 | 398 | 60 | 10 | 65 | 65 | 501 | 499 | 5 | 74 | 370 | 0.5 | 1040 | 80 | ||
| XI 160489N? | 384 | 562 | 45 | 538 | 440 | 40 | 40 | 14 | 14 | 40 | 5 | 40 | 40 | 490 | 488 | 6 | 66 | 396 | 710 | 35 | |||||
| - | 385 | 562 | 60 | 538 | 440 | 30 | 30 | φ13.5 | φ13.5 | 560 | 418 | 43 | 10 | 50 | 50 | 490 | 487 | 6 | 66 | 396 | 1050 | 42.7 | |||
| 113.25.560.**? | 425 | 662 | 75 | 626 | 494 | 20 | 20 | 18 | 18 | 458 | 60 | 10 | 65 | 65 | 561.5 | 558.5 | 5 | 86 | 430 | 0.5 | 1160 | 90 | |||
| 114.25.560.**? | 426 | 662 | 75 | 626 | 494 | 20 | 21 | 18 | 18 | 458 | 60 | 10 | 65 | 65 | 561.5 | 558.5 | 6 | 112 | 672 | 0.5 | 1160 | 90 | |||
| XSI 140544N? | 444 | 614 | 56 | 590 | 505 | 32 | 32 | 14 | M12*20 | 44.5 | 11.5 | 44.5 | 44.5 | 545 | 541 | 6 | 76 | 456 | 680 | 43 | |||||
| 444 | 646 | 62 | 615 | 505 | 20 | 20 | 15.5 | 15.5 | 53 | 9 | 53 | 53 | 562 | 558 | 6 | 75 | 450 | -0.5 | 950 | 60 | |||||
| 455 | 641 | 55 | 610 | 510 | 20 | 20 | 15.5 | 15.5 | 46 | 9 | 46 | 46 | 562 | 558 | 5 | 92 | 460 | -0.5 | 680 | 49 | |||||
| 457 | 665 | 60 | 630 | 517 | 28 | 28 | φ17.5 | φ17.5 | 660 | 485 | 45 | 10 | 50 | 50 | 575 | 571 | 6 | 77 | 462 | 0.5 | 1050 | 60 | |||
| XI 140575N? | 462 | 657 | 45 | 625 | 525 | 16 | 16 | 18 | 18 | 38 | 7 | 38 | 38 | 576 | 574 | 6 | 79 | 474 | 830 | 45 | |||||
| 114.25.630.**? | 488 | 732 | 75 | 696 | 564 | 24 | 24 | 18 | 18 | 528 | 60 | 10 | 65 | 65 | 631.5 | 628.5 | 8 | 62 | 496 | 0.5 | 1300 | 100 | |||
| 113.25.630.**? | 492 | 732 | 75 | 696 | 564 | 24 | 24 | 18 | 18 | 528 | 60 | 10 | 65 | 65 | 631.5 | 628.5 | 6 | 83 | 498 | 0.5 | 1300 | 100 | |||
| 496 | 722 | 62 | 687 | 573 | 20 | 20 | 17.5 | 17.5 | 53 | 9 | 53 | 53 | 632 | 625 | 8 | 63 | 504 | -0.5 | 1100 | 75 | |||||
| XI 180635N? | 504 | 722 | 54 | 690 | 580 | 24 | 24 | 18 | 18 | 47 | 7 | 47 | 47 | 636 | 634 | 8 | 65 | 520 | 1040 | 65 | |||||
| 516 | 717 | 55 | 682 | 578 | 20 | 20 | 17.5 | 17.5 | 46 | 9 | 46 | 46 | 632 | 628 | 6 | 87 | 522 | -0.5 | 800 | 59 | |||||
| XSI 140644N? | 546 | 714 | 56 | 690 | 605 | 36 | 36 | 14 | M12*20 | 44.5 | 11.5 | 44.5 | 44.5 | 645 | 641 | 6 | 93 | 558 | 800 | 50 | |||||
| XI 300713N? | 560 | 817 | 80 | 785 | 640 | 52 | 52 | 18 | 18 | 73 | 7 | 73 | 73 | 714 | 712 | 10 | 58 | 580 | 1980 | 130 | |||||
| 114.25.710.**? | 568 | 812 | 75 | 776 | 644 | 24 | 24 | 18 | 18 | 608 | 60 | 10 | 65 | 65 | 711.5 | 708.5 | 8 | 72 | 576 | 0.5 | 1490 | 110 | |||
| 113.25.710.**? | 570 | 812 | 75 | 776 | 644 | 24 | 24 | 18 | 18 | 608 | 60 | 10 | 65 | 65 | 711.5 | 708.5 | 6 | 96 | 576 | 0.5 | 1490 | 110 | |||
| 576 | 802 | 62 | 767 | 653 | 24 | 24 | 17.5 | 17.5 | 53 | 9 | 53 | 53 | 712 | 708 | 8 | 73 | 584 | -0.5 | 1280 | 84 | |||||
| XI 200720N? | 584 | 812 | 58 | 780 | 660 | 40 | 40 | 18 | 18 | 51 | 7 | 51 | 51 | 721 | 719 | 8 | 75 | 600 | 1420 | 80 | |||||
| 114.28.800.**? | 630 | 922 | 82 | 878 | 722 | 30 | 30 | 22 | 22 | 678 | 65 | 10 | 72 | 72 | 801.5 | 798.5 | 10 | 64 | 640 | 0.5 | 1850 | 170 | |||
| 113.28.800.**? | 632 | 922 | 82 | 878 | 722 | 30 | 30 | 22 | 22 | 678 | 65 | 10 | 72 | 72 | 801.5 | 798.5 | 8 | 80 | 640 | 0.5 | 1850 | 170 | |||
| 634 | 871 | 70 | 833 | 707 | 36 | 36 | φ17.5 | φ17.5 | 870 | 670 | 55 | 10 | 60 | 60 | 772 | 768 | 8 | 80 | 648 | 0.5 | 2250 | 107 | |||
| 636 | 866 | 73 | 830 | 698 | 24 | 24 | 17.5 | 17.5 | 64 | 9 | 64 | 64 | 766 | 762 | 6 | 107 | 642 | -0.5 | 1650 | 113 | |||||
| XSI 140744N? | 648 | 814 | 56 | 790 | 705 | 40 | 40 | 14 | M12*20 | 44.5 | 11.5 | 44.5 | 44.5 | 745 | 741 | 6 | 110 | 660 | 930 | 58 | |||||
| 649 | 816 | 56 | 790 | 705 | 40 | 40 | φ14 | M12 | 814 | 46 | 10 | 46 | 46 | 746.7 | 739.7 | 6 | 110 | 660 | 1050 | 57.1 | |||||
| 2797/695G2? | 658 | 920 | 90 | 870 | 735 | 30 | 30 | 18 | 18 | 695 | 65 | 4 | 86 | 76 | 804 | 800 | 7 | 96 | 672 | 1610 | 175 | ||||
| 2797/760G2? | 718.18 | 1000 | 95 | 956 | 800 | 24 | 24 | 20 | 20 | 760 | 70 | 15 | 80 | 82 | 882 | 878 | 8 | 91 | 728 | 0.35 | 2370 | 206 | |||
| 114.28.900.**? | 730 | 1022 | 82 | 978 | 822 | 30 | 30 | 22 | 22 | 778 | 65 | 10 | 72 | 72 | 901.5 | 898.5 | 10 | 74 | 740 | 0.5 | 2090 | 190 | |||
| XI 180865N? | 736 | 952 | 54 | 920 | 810 | 20 | 20 | 18 | 18 | 47 | 7 | 47 | 47 | 866 | 864 | 8 | 94 | 752 | 1325 | 90 | |||||
| XSI 140844N? | 736 | 914 | 56 | 890 | 805 | 40 | 40 | 14 | M12*20 | 44.5 | 11.5 | 44.5 | 44.5 | 845 | 841 | 8 | 94 | 752 | 1050 | 69 | |||||
| 113.28.900.**? | 736 | 1022 | 82 | 978 | 822 | 30 | 30 | 22 | 22 | 778 | 65 | 10 | 72 | 72 | 901.5 | 898.5 | 8 | 93 | 744 | 0.5 | 2090 | 190 | |||
| 744 | 988 | 73 | 952 | 820 | 30 | 30 | 17.5 | 17.5 | 64 | 9 | 64 | 64 | 888 | 884 | 8 | 94 | 752 | -0.5 | 1875 | 138 | |||||
| XI 140897N? | 776 | 976 | 54 | 944 | 850 | 32 | 32 | 18 | 18 | 47 | 16 | 47 | 38 | 898 | 896 | 8 | 99 | 792 | 1270 | 75 | |||||
| 785.6 | 973 | 82 | 944 | 850 | 36 | 36 | φ16 | φ16 | 970 | 820 | 60 | 14 | 68 | 61 | 899 | 895 | 8 | 100 | 800 | 1200 | 110 | ||||
| XSI 20 0955N? | 810 | 1055 | 80 | 1015 | 894 | 30 | 30 | 22 | M20*40 | 71 | 26 | 71 | 54 | 956 | 954 | 10 | 83 | 830 | 2030 | 148 | |||||
| 114.28.1000.**? | 816 | 1122 | 82 | 1078 | 922 | 36 | 36 | 22 | 22 | 878 | 65 | 10 | 72 | 72 | 1001.5 | 998.5 | 12 | 69 | 828 | 0.5 | 2330 | 210 | |||
| 113.28.1000.**? | 820 | 1122 | 82 | 1078 | 922 | 36 | 36 | 22 | 22 | 878 | 65 | 10 | 72 | 72 | 1001.5 | 998.5 | 10 | 83 | 830 | 0.5 | 2330 | 210 | |||
| 2797/870G2? | 828.8 | 1180 | 115 | 1125 | 920 | 18 | 18 | 26 | 26 | 870 | 90 | 15 | 100 | 100 | 1027 | 1023 | 8 | 105 | 840 | 0.3 | 2920 | 374 | |||
| 2797/875G2? | 830.1 | 1170 | 95 | 1120 | 930 | 24 | 24 | 22 | 22 | 875 | 70 | 15 | 80 | 80 | 1022 | 1018 | 8 | 105 | 840 | 0.3 | 2760 | 297 | |||
| XSI 140944N? | 840 | 1014 | 56 | 990 | 905 | 44 | 44 | 14 | M12*20 | 44.5 | 11.5 | 44.5 | 44.5 | 945 | 941 | 8 | 107 | 856 | 1170 | 76 | |||||
| 840 | 1082 | 73 | 1046 | 914 | 30 | 30 | 17.5 | 17.5 | 64 | 9 | 64 | 64 | 982 | 978 | 8 | 106 | 848 | -0.5 | 2100 | 152 | |||||
| 2797/955G? | 908.8 | 1200 | 90 | 1160 | 1000 | 36 | 18 | 18 | 18 | 95 | 72 | 10 | 80 | 76 | 1092 | 1088 | 8 | 115 | 920 | 0.3 | 2540 | 245 | |||
| 2797/955G2? | 908.8 | 1200 | 90 | 1160 | 1000 | 36 | 18 | 18 | 18 | 95 | 72 | 10 | 80 | 76 | 1092 | 1088 | 8 | 115 | 920 | 0.6 | 2540 | 245 | |||
| XSI 20 1055N? | 910 | 1155 | 80 | 1115 | 994 | 30 | 30 | 22 | M20*40 | 71 | 26 | 71 | 54 | 1056 | 1054 | 10 | 93 | 930 | 2250 | 165 | |||||
| 920 | 1179 | 73 | 1143 | 1011 | 36 | 36 | 17.5 | 17.5 | 64 | 9 | 64 | 64 | 1079 | 1075 | 10 | 93 | 930 | -0.5 | 2570 | 177 | |||||
| XI 301128N? | 936 | 1258 | 86 | 1210 | 1045 | 36 | 36 | 26 | 26 | 76 | 10 | 76 | 76 | 1129 | 1127 | 12 | 80 | 960 | 2825 | 285 | |||||
| 114.28.1120.**? | 936 | 1242 | 82 | 1198 | 1042 | 36 | 36 | 22 | 22 | 998 | 65 | 10 | 72 | 72 | 1122 | 1118 | 12 | 79 | 948 | 0.5 | 2620 | 230 | |||
| 113.28.1120.**? | 940 | 1242 | 82 | 1198 | 1042 | 36 | 36 | 22 | 22 | 998 | 65 | 10 | 72 | 72 | 1122 | 1118 | 10 | 95 | 950 | 0.5 | 2620 | 230 | |||
| XI 201100N? | 950 | 1200 | 70 | 1160 | 1040 | 30 | 30 | 22 | 22 | 60 | 26 | 60 | 44 | 1101 | 1099 | 10 | 97 | 970 | 2000 | 150 | |||||
| XI 141087N? | 960 | 1166 | 65 | 1134 | 1040 | 40 | 40 | 18 | 18 | 55 | 24 | 55 | 41 | 1088 | 1086 | 10 | 98 | 980 | 1500 | 105 | |||||
| XI 241120N? | 960 | 1228 | 73 | 1188 | 1052 | 40 | 40 | 22 | 22 | 63 | 10 | 63 | 63 | 1121 | 1119 | 10 | 98 | 980 | 2400 | 195 | |||||
| 960 | 1232 | 73 | 1188 | 1052 | 36 | 36 | 22 | 22 | 64 | 9 | 64 | 64 | 1122 | 1118 | 10 | 97 | 970 | -0.5 | 2500 | 192 | |||||
| 961 | 1175 | 90 | 1134 | 1040 | 36 | 36 | M16 | M16 | 1165 | 1010 | 62 | 18 | 72 | 75 | 1078 | 1075 | 10 | 98 | 980 | 2650 | 183.5 | ||||
| 2797/1010G2? | 962 | 1200 | 90 | 1160 | 1041 | 36 | 20 | 22 | M20 | 1010 | 72 | 10 | 80 | 76 | 1092 | 1088 | 10 | 97 | 970 | 0.6 | 2540 | 199 | |||
| 2797/1010GK? | 962 | 1200 | 90 | 1160 | 1041 | 36 | 20 | 22 | M20 | 1010 | 72 | 10 | 80 | 76 | 1092 | 1088 | 10 | 97 | 970 | 0.6 | 2540 | 199 | |||
| XI 221150N? | 984 | 1255 | 74 | 1215 | 1085 | 40 | 40 | 22 | 22 | 64 | 10 | 64 | 64 | 1151 | 1149 | 12 | 84 | 1008 | 2425 | 200 | |||||
| XSI 141094N? | 984 | 1164 | 56 | 1140 | 1055 | 48 | 48 | 14 | M12*20 | 44.5 | 11.5 | 44.5 | 44.5 | 1095 | 1091 | 8 | 125 | 1000 | 1360 | 91 | |||||
| XSI 20 1155N? | 1010 | 1255 | 80 | 1215 | 1094 | 36 | 36 | 22 | M20*40 | 71 | 26 | 71 | 54 | 1156 | 1154 | 10 | 103 | 1030 | 2460 | 180 | |||||
| 1020 | 1292 | 73 | 1248 | 1112 | 36 | 36 | 22 | 22 | 64 | 9 | 64 | 64 | 1182 | 1178 | 10 | 103 | 1030 | -0.5 | 2650 | 202 | |||||
| 114.32.1250.**? | 1036 | 1390 | 91 | 1337 | 1163 | 40 | 40 | 26 | 26 | 1110 | 75 | 10 | 81 | 81 | 1252 | 1248 | 14 | 75 | 1050 | 0.5 | 3210 | 350 | |||
| 113.32.1250.**? | 1044 | 1390 | 91 | 1337 | 1163 | 40 | 40 | 26 | 26 | 1110 | 75 | 10 | 81 | 81 | 1252 | 1248 | 12 | 88 | 1056 | 0.5 | 3210 | 350 | |||
| XI 261220N? | 1060 | 1330 | 78 | 1290 | 1150 | 48 | 48 | 22 | 22 | 68 | 10 | 68 | 68 | 1221 | 1219 | 10 | 108 | 1080 | 2650 | 230 | |||||
| 1090 | 1362 | 73 | 1318 | 1182 | 40 | 40 | 22 | 22 | 64 | 9 | 64 | 64 | 1252 | 1248 | 10 | 110 | 1100 | -0.5 | 2850 | 213 | |||||
| XSI 20 1255N? | 1110 | 1355 | 80 | 1315 | 1194 | 42 | 42 | 22 | M20*40 | 71 | 26 | 71 | 54 | 1256 | 1254 | 10 | 113 | 1130 | 2687 | 195 | |||||
| XI 301304N? | 1140 | 1416 | 86 | 1380 | 1228 | 76 | 76 | 20 | 20 | 76 | 10 | 76 | 76 | 1305 | 1303 | 10 | 116 | 1160 | 3240 | 280 | |||||
| 1140 | 14312 | 73 | 1388 | 1252 | 42 | 42 | 22 | 22 | 64 | 9 | 64 | 64 | 1322 | 1318 | 12 | 96 | 1152 | -0.5 | 3000 | 240 | |||||
| XI 401385N? | 1176 | 1528 | 110 | 1480 | 1290 | 56 | 56 | 26 | 26 | 100 | 10 | 100 | 100 | 1387 | 1383 | 12 | 100 | 1200 | 3450 | 490 | |||||
| XI 301348N? | 1180 | 1465 | 86 | 1425 | 1270 | 60 | 60 | 22 | 22 | 76 | 10 | 76 | 76 | 1349 | 1347 | 10 | 120 | 1200 | 3340 | 300 | |||||
| 113.32.1400.**? | 1188 | 1540 | 91 | 1487 | 1313 | 40 | 40 | 26 | 26 | 1260 | 75 | 10 | 81 | 81 | 1402 | 1398 | 12 | 100 | 1200 | 0.5 | 3580 | 400 | |||
| 114.32.1400.**? | 1190 | 1540 | 91 | 1487 | 1313 | 40 | 40 | 26 | 26 | 1260 | 75 | 10 | 81 | 81 | 1402 | 1398 | 14 | 86 | 1204 | 0.5 | 3580 | 400 | |||
| 1200 | 1534 | 80 | 1482 | 1318 | 36 | 36 | 26 | 26 | 71 | 9 | 71 | 71 | 1402 | 1398 | 12 | 101 | 1212 | -0.5 | 3400 | 330 | |||||
| XSI 20 1355N? | 1210 | 1455 | 80 | 1415 | 1294 | 42 | 42 | 22 | M20*40 | 71 | 26 | 71 | 54 | 1356 | 1354 | 10 | 123 | 1230 | 2936 | 212 | |||||
| 2797/1278G2? | 1221.14 | 1595 | 120 | 1535 | 1335 | 36 | 36 | 26 | 26 | 1278 | 90 | 14 | 106 | 106 | 1432 | 1428 | 12 | 103 | 1236 | 0.35 | 3980 | 585 | |||
| XI 301500N? | 1308 | 1630 | 86 | 1582 | 1418 | 48 | 48 | 26 | 26 | 76 | 10 | 76 | 76 | 1501 | 1499 | 12 | 111 | 1332 | 3710 | 380 | |||||
| 1308 | 1634 | 80 | 1582 | 1418 | 40 | 40 | 26 | 26 | 71 | 9 | 71 | 71 | 1502 | 1498 | 12 | 110 | 1320 | -0.5 | 3690 | 343 | |||||
| XSI 20 1455N? | 1310 | 1555 | 80 | 1515 | 1394 | 48 | 48 | 22 | M20*40 | 71 | 26 | 71 | 54 | 1456 | 1454 | 10 | 133 | 1330 | 3060 | 227 | |||||
| 2792/1400G2K? | 1330 | 1715 | 110 | 1660 | 1460 | 40 | 40 | 26 | M24 | 1400 | 90 | 15 | 95 | 95 | 1562 | 1558 | 10 | 135 | 1350 | 5970 | 587 | ||||
| 114.32.1600.**? | 1376 | 1740 | 91 | 1687 | 1513 | 45 | 45 | 26 | 26 | 1460 | 75 | 10 | 81 | 81 | 1602 | 1598 | 16 | 87 | 1392 | 0.5 | 4120 | 440 | |||
| 1386 | 1734 | 80 | 1682 | 1518 | 40 | 40 | 26 | 26 | 71 | 9 | 71 | 71 | 1602 | 1598 | 14 | 100 | 1400 | -0.5 | 3900 | 391 | |||||
| 113.32.1600.**? | 1386 | 1740 | 91 | 1687 | 1513 | 45 | 45 | 26 | 26 | 1460 | 75 | 10 | 81 | 81 | 1602 | 1598 | 14 | 100 | 1400 | 0.5 | 4120 | 440 | |||
| XI 341615N? | 1416 | 1753 | 95 | 1705 | 1525 | 64 | 64 | 26 | 26 | 85 | 10 | 85 | 85 | 1616 | 1614 | 12 | 120 | 1440 | 4300 | 470 | |||||
| 1456 | 1871 | 100 | 1805 | 1595 | 32 | 32 | 33 | 33 | 90 | 10 | 90 | 90 | 1702 | 1698 | 14 | 105 | 1470 | -0.5 | 5350 | 636 | |||||
| XI 301700N? | 1498 | 1830 | 92 | 1782 | 1618 | 56 | 56 | 26 | 26 | 82 | 16 | 82 | 76 | 1701 | 1699 | 14 | 109 | 1526 | 4250 | 450 | |||||
| 1498 | 1834 | 80 | 1782 | 1618 | 44 | 44 | 26 | 26 | 71 | 9 | 71 | 71 | 1702 | 1698 | 14 | 108 | 1512 | -0.5 | 4200 | 398 | |||||
| 1554 | 1971 | 100 | 1905 | 1695 | 36 | 36 | 33 | 33 | 90 | 10 | 90 | 90 | 1802 | 1798 | 14 | 112 | 1568 | -0.5 | 5700 | 675 | |||||
| XI 341785N? | 1568 | 1923 | 95 | 1875 | 1695 | 72 | 72 | 26 | 26 | 85 | 10 | 85 | 85 | 1786 | 1784 | 14 | 114 | 1596 | 4800 | 550 | |||||
| 113.32.1800.**? | 1568 | 1940 | 91 | 1887 | 1713 | 45 | 45 | 26 | 26 | 1660 | 75 | 10 | 81 | 81 | 1802 | 1798 | 14 | 113 | 1582 | 0.5 | 4600 | 500 | |||
| 114.32.1800.**? | 1568 | 1940 | 91 | 1887 | 1713 | 45 | 45 | 26 | 26 | 1660 | 75 | 10 | 81 | 81 | 1802 | 1798 | 16 | 99 | 1584 | 0.5 | 4600 | 500 | |||
| 113.45.1830.11? | 1610 | 2002 | 156 | 1940 | 1720 | 54 | 54 | 26 | 26 | 1665 | 100 | 28 | 128 | 128 | 1833 | 1827 | 12 | 135 | 1620 | 0.5 | 5710 | 912 | |||
| XI 401865N? | 1616 | 2024 | 108 | 1970 | 1760 | 68 | 68 | 30 | 30 | 98 | 10 | 98 | 98 | 1867 | 1863 | 16 | 103 | 1648 | 5900 | 750 | |||||
| 1652 | 2071 | 100 | 2005 | 1795 | 36 | 36 | 33 | 33 | 90 | 10 | 90 | 90 | 1902 | 1898 | 14 | 119 | 1666 | -0.5 | 6050 | 720 | |||||
| XI 401945N? | 1722 | 2088 | 110 | 2040 | 1850 | 48 | 48 | 26 | 26 | 100 | 10 | 100 | 100 | 1947 | 1943 | 14 | 125 | 1750 | 6200 | 740 | |||||
| 113.40.2000.**? | 1728 | 2178 | 112 | 2110 | 1891 | 48 | 48 | 30 | 30 | 1825 | 90 | 12 | 100 | 100 | 2002 | 1998 | 16 | 109 | 1744 | 0.5 | 6860 | 900 | |||
| 114.40.2000.**? | 1728 | 2178 | 112 | 2110 | 1891 | 48 | 48 | 33 | 33 | 1825 | 90 | 12 | 100 | 100 | 2002 | 1998 | 18 | 97 | 1746 | 0.5 | 6860 | 900 | |||
| XI 201905N? | 1740 | 2010 | 82 | 1970 | 1840 | 48 | 48 | 22 | 22 | 72 | 28 | 72 | 54 | 1906 | 1904 | 12 | 147 | 1764 | 3450 | 340 | |||||
| 1744 | 2176 | 108 | 2110 | 1890 | 42 | 42 | 33 | 33 | 98 | 10 | 98 | 98 | 2003 | 1997 | 16 | 110 | 1760 | -0.5 | 7350 | 832 | |||||
| XI 402026N? | 1764 | 2184 | 122 | 2130 | 1921 | 72 | 72 | 30 | 30 | 108 | 20 | 108 | 102 | 2028 | 2024 | 18 | 100 | 1800 | 6500 | 900 | |||||
| 1764 | 2171 | 100 | 2105 | 1895 | 40 | 40 | 33 | 33 | 90 | 10 | 90 | 90 | 2002 | 1998 | 14 | 127 | 1778 | -0.5 | 6290 | 731 | |||||
| 1872 | 2304 | 108 | 2238 | 2018 | 48 | 48 | 33 | 33 | 98 | 10 | 98 | 98 | 2131 | 2125 | 16 | 118 | 1888 | -0.5 | 7800 | 882 | |||||
| 2792/2000G2? | 1913.5 | 2420 | 160 | 2350 | 2070 | 48 | 48 | 33 | M30 | 2000 | 120 | 20 | 140 | 140 | 2213 | 2207 | 14 | 138 | 1932 | 0.3 | 10840 | 1607 | |||
| XI 452180N? | 1920 | 2355 | 127 | 2295 | 2065 | 64 | 64 | 33 | 33 | 113 | 14 | 113 | 113 | 2182 | 2178 | 16 | 122 | 1952 | 7600 | 1090 | |||||
| 114.40.2240.**? | 1980 | 2418 | 112 | 2350 | 2131 | 48 | 48 | 33 | 33 | 2065 | 90 | 12 | 100 | 100 | 2242.5 | 2237.5 | 18 | 111 | 1998 | 0.5 | 7640 | 1000 | |||
| 1984 | 2416 | 108 | 2350 | 2130 | 48 | 48 | 33 | 33 | 98 | 10 | 98 | 98 | 2243 | 2237 | 16 | 125 | 2000 | -0.5 | 8300 | 932 | |||||
| 113.40.2240.**? | 1984 | 2418 | 112 | 2350 | 2131 | 48 | 48 | 33 | 33 | 2065 | 90 | 12 | 100 | 100 | 2242.5 | 2237.5 | 16 | 125 | 2000 | 0.5 | 7640 | 1000 | |||
| XI 302280N? | 2072 | 2413 | 110 | 2365 | 2195 | 84 | 84 | 26 | 26 | 80 | 30 | 96 | 80 | 2281 | 2279 | 14 | 150 | 2100 | 5900 | 760 | |||||
| 2112 | 2544 | 108 | 2478 | 2258 | 56 | 56 | 33 | 33 | 98 | 10 | 98 | 98 | 2371 | 2365 | 16 | 133 | 2128 | -0.5 | 8750 | 980 | |||||
| 2792/2240G? | 2154.5 | 2670 | 160 | 2600 | 2320 | 54 | 54 | 35 | M36 | 2240 | 120 | 20 | 140 | 140 | 2463 | 2457 | 16 | 136 | 2176 | 0.3 | 14410 | 1798 | |||
| 3-940G? | 2162.75 | 2800 | 208 | 2710 | 2390 | 42 | 48 | 38 | M36 | 2300 | 175 | 18 | 190 | 180 | 2545 | 2535 | 20 | 110 | 2200 | 17430 | 2756 | ||||
| 2200 | 2691 | 130 | 2625 | 2375 | 60 | 60 | 33 | 33 | 120 | 10 | 120 | 120 | 2503 | 2497 | 20 | 111 | 2220 | -0.5 | 11700 | 1423 | |||||
| 114.40.2500.**? | 2220 | 2678 | 112 | 2610 | 2391 | 56 | 56 | 33 | 33 | 2325 | 90 | 12 | 100 | 100 | 2502.5 | 2497.5 | 20 | 112 | 2240 | 0.5 | 7970 | 876 | |||
| 113.40.2500.**? | 2232 | 2678 | 112 | 2610 | 2391 | 56 | 56 | 33 | 33 | 2325 | 90 | 12 | 100 | 100 | 2502.5 | 2497.5 | 18 | 125 | 2250 | 0.5 | 7970 | 876 | |||
| XI 342540N? | 2286 | 2700 | 118 | 2640 | 2440 | 64 | 64 | 33 | 33 | 104 | 29 | 104 | 89 | 2541 | 2539 | 18 | 129 | 2322 | 6750 | 1040 | |||||
| XI 452600N? | 2336 | 2775 | 127 | 2715 | 2485 | 76 | 76 | 33 | 33 | 113 | 14 | 113 | 113 | 2602 | 2598 | 16 | 148 | 2368 | 8850 | 1330 | |||||
| 2360 | 2851 | 130 | 2785 | 2535 | 64 | 64 | 33 | 33 | 120 | 10 | 120 | 120 | 2663 | 2657 | 20 | 119 | 2380 | -0.5 | 12500 | 1515 | |||||
| 2423 | 1962 | 119 | 2357 | 2123 | 48 | 48 | 33 | 33 | 109 | 10 | 109 | 109 | 2243 | 2237 | 18 | 110 | 1980 | -0.5 | 9250 | 1100 | |||||
| XI 262686N? | 2480 | 2800 | 114 | 2760 | 2615 | 108 | 108 | 22 | 22 | 100 | 42 | 100 | 72 | 2687 | 2685 | 20 | 126 | 2520 | 5800 | 740 | |||||
| 2499 | 3020 | 158 | 2950 | 2670 | 50 | 50 | φ34 | M30 | 3013 | 2610 | 147 | 10 | 148 | 140 | 2809 | 2808 | 22 | 114 | 2508 | 0.6 | 17000 | 2240 | |||
| 2500 | 2691 | 130 | 2925 | 2675 | 72 | 72 | 33 | 33 | 120 | 10 | 120 | 120 | 2803 | 2797 | 20 | 126 | 2520 | -0.5 | 13000 | 1588 | |||||
| 113.40.2800.**? | 2520 | 2978 | 112 | 2910 | 2691 | 56 | 56 | 33 | 33 | 2625 | 90 | 12 | 100 | 100 | 2802.5 | 2797.5 | 18 | 141 | 2538 | 0.5 | 9600 | 1250 | |||
| 114.40.2800.**? | 2520 | 2978 | 112 | 2910 | 2691 | 56 | 56 | 33 | 33 | 2625 | 90 | 12 | 100 | 100 | 2802.5 | 2797.5 | 20 | 127 | 2540 | 0.5 | 9600 | 1250 | |||
| 2549 | 2088 | 119 | 2483 | 2249 | 52 | 52 | 33 | 33 | 109 | 10 | 109 | 109 | 2369 | 2363 | 18 | 117 | 2106 | -0.5 | 9500 | 1160 | |||||
| 2797/2680G? | 2592 | 3325 | 300 | 3242 | 2754 | 32 | 32 | 33 | 33 | 2680 | 180 | 30 | 270 | 270 | 3000 | 2996 | 16 | 164 | 2624 | 35870 | 6320 | ||||
| 2797/2680GY? | 2592 | 3325 | 300 | 3242 | 2754 | 48 | 48 | 33 | 33 | 2680 | 180 | 30 | 270 | 270 | 3000 | 2996 | 16 | 164 | 2624 | 35870 | 6320 | ||||
| 2797/2680GK? | 2592 | 3325 | 300 | 3242 | 2754 | 32 | 32 | 33 | 33 | 2680 | 180 | 30 | 270 | 270 | 3000 | 2996 | 16 | 164 | 2624 | 30350 | 6641 | ||||
| XI 402875N? | 2628 | 3040 | 118 | 2980 | 2775 | 72 | 72 | 33 | 33 | 104 | 16 | 104 | 102 | 2877 | 2873 | 18 | 148 | 2664 | 9350 | 1250 | |||||
| 2693 | 2232 | 119 | 2627 | 2393 | 56 | 56 | 33 | 33 | 109 | 10 | 109 | 109 | 2513 | 2507 | 18 | 125 | 2250 | -0.5 | 9750 | 1231 | |||||
| 2700 | 3191 | 130 | 3125 | 2875 | 76 | 76 | 33 | 33 | 120 | 10 | 120 | 120 | 3003 | 2997 | 20 | 136 | 2720 | -0.5 | 14500 | 1706 | |||||
| XI 302980N? | 2796 | 3100 | 109 | 3060 | 2900 | 160 | 160 | 22 | 22 | 95 | 29 | 95 | 80 | 2981 | 2979 | 12 | 235 | 2820 | 7200 | 820 | |||||
| 114.50.3150.**? | 2816 | 3376 | 134 | 3286 | 3014 | 56 | 56 | 45 | 45 | 2922 | 110 | 12 | 122 | 122 | 3152.5 | 3147.5 | 22 | 129 | 2838 | 0.5 | 13800 | 2150 | |||
| 113.50.3150.**? | 2820 | 3376 | 134 | 3286 | 3014 | 56 | 56 | 45 | 45 | 2922 | 110 | 12 | 122 | 122 | 3152.5 | 3147.5 | 20 | 142 | 2840 | 0.5 | 13800 | 2150 | |||
| 2837 | 2376 | 119 | 2771 | 2537 | 60 | 60 | 33 | 33 | 109 | 10 | 109 | 109 | 2657 | 2651 | 18 | 133 | 2394 | -0.5 | 1050 | 1302 | |||||
| XI 453280N? | 3006 | 3455 | 127 | 3395 | 3165 | 96 | 96 | 33 | 33 | 113 | 14 | 113 | 113 | 3282 | 3278 | 18 | 169 | 3042 | 11550 | 1710 | |||||
| XI 503383N? | 3100 | 3565 | 138 | 3505 | 3260 | 116 | 116 | 33 | 33 | 124 | 14 | 124 | 124 | 3385 | 3381 | 20 | 157 | 3140 | 14400 | 1970 | |||||
| XI 343403N? | 3168 | 3560 | 110 | 3500 | 3305 | 80 | 80 | 33 | 33 | 96 | 21 | 96 | 89 | 3404 | 3402 | 16 | 200 | 3200 | 9100 | 1290 | |||||
| XI 503500N? | 3200 | 3690 | 138 | 3630 | 3370 | 124 | 124 | 33 | 33 | 124 | 14 | 124 | 124 | 3502 | 3498 | 20 | 162 | 3240 | 14100 | 2170 | |||||
| 3-943G2? | 3206.368 | 3850 | 200 | 3720 | 3420 | 60 | 60 | 45 | 45 | 3322 | 158 | 20 | 180 | 180 | 3572 | 3568 | 22 | 147 | 3234 | 0.35 | 18060 | 4520 | |||
| 113.50.3550.**? | 3212 | 3776 | 134 | 3686 | 3414 | 56 | 56 | 45 | 45 | 3322 | 110 | 12 | 122 | 122 | 3552.5 | 3547.5 | 22 | 147 | 3234 | 0.5 | 15700 | 2470 | |||
| 114.50.3550.**? | 3220 | 3776 | 134 | 3686 | 3414 | 56 | 56 | 45 | 45 | 3322 | 110 | 12 | 122 | 122 | 3552.5 | 3547.5 | 20 | 162 | 3240 | 0.5 | 15700 | 2470 | |||
| XI 503720N? | 3420 | 3910 | 138 | 3850 | 3590 | 132 | 132 | 33 | 33 | 124 | 14 | 124 | 124 | 3722 | 3718 | 20 | 173 | 3460 | 15000 | 2310 | |||||
| XI 503820N? | 3520 | 4010 | 138 | 3950 | 3690 | 136 | 136 | 33 | 33 | 124 | 14 | 124 | 124 | 3822 | 3818 | 20 | 178 | 3560 | 15400 | 2370 | |||||
| 113.50.4000.**? | 3652 | 4226 | 134 | 4136 | 3864 | 60 | 60 | 45 | 45 | 3772 | 110 | 12 | 122 | 122 | 4002.5 | 3997.5 | 22 | 167 | 3674 | 0.5 | 17600 | 2800 | |||
| XI 604035N? | 3720 | 4234 | 160 | 4174 | 3896 | 144 | 144 | 33 | 33 | 146 | 14 | 146 | 146 | 4038 | 4032 | 20 | 188 | 3760 | 17600 | 3100 | |||||
| 114.50.4500.**? | 4150 | 4726 | 134 | 4636 | 4364 | 60 | 60 | 45 | 45 | 4272 | 110 | 12 | 122 | 122 | 4502.5 | 4497.5 | 25 | 167 | 4175 | 0.5 | 19800 | 3100 | |||
| 113.50.4500.**? | 4158 | 4726 | 134 | 4636 | 4364 | 60 | 60 | 45 | 45 | 4272 | 110 | 12 | 122 | 122 | 4502.5 | 4497.5 | 22 | 190 | 4180 | 0.5 | 19800 | 3100 | |||