
| 型號(hào) | 尺寸(mm) | 安裝尺寸(mm) | 結(jié)構(gòu)尺寸(mm) | 基本額定載荷 (KN) |
重量 | ||||||||||||||||
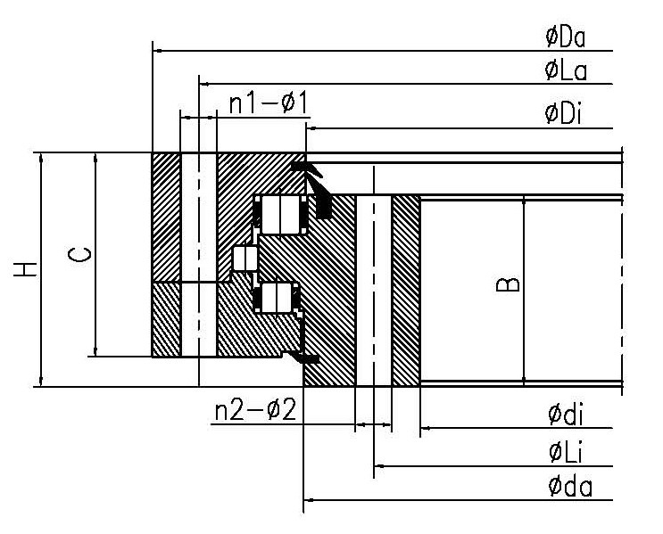
| 型號(hào) | LYC 代號(hào) | Da | D | di | H | La | Li | n1 | n2 | φ1 | φ2 | d | b | h | B | C | Di | da | Coa | Cor | (KG) |
| HU25/500 | 130.25.500.**? | 634 | 366 | 148 | 598 | 402 | 24 | 24 | 18 | 18 | 10 | 116 | 138 | 526 | 537 | 2750 | 355 | 224 | |||
| HU25/560 | 130.25.560.**? | 694 | 426 | 148 | 658 | 462 | 24 | 24 | 18 | 18 | 10 | 116 | 138 | 586 | 597 | 3080 | 399 | 240 | |||
| HU25/630 | 130.25.630.**? | 764 | 496 | 148 | 728 | 532 | 28 | 28 | 18 | 18 | 10 | 116 | 138 | 656 | 667 | 3450 | 451 | 270 | |||
| HU25/710 | 130.25.710.**? | 844 | 576 | 148 | 808 | 612 | 28 | 28 | 18 | 18 | 10 | 116 | 138 | 736 | 747 | 3880 | 517 | 300 | |||
| HU30/800 | 130.32.800.**? | 964 | 636 | 182 | 920 | 680 | 36 | 36 | 22 | 22 | 10 | 142 | 172 | 830 | 841 | 5490 | 712 | 500 | |||
| HU30/900 | 130.32.900.**? | 1064 | 736 | 182 | 1020 | 780 | 36 | 36 | 22 | 22 | 10 | 142 | 172 | 930 | 941 | 6190 | 808 | 600 | |||
| HU28/998 | 1180 | 800 | 166 | 1114 | 866 | 24 | 24 | M30 | M30 | 21 | 136 | 145 | 962 | 965 | 7500 | 581 | |||||
| HU30/1000 | 130.32.1000.**? | 1164 | 836 | 182 | 1120 | 880 | 40 | 40 | 22 | 22 | 10 | 142 | 172 | 1030 | 1041 | 6890 | 903 | 680 | |||
| HU30/1120 | 130.32.1120.**? | 1284 | 956 | 182 | 1240 | 1000 | 40 | 40 | 22 | 22 | 10 | 142 | 172 | 1150 | 1161 | 7680 | 1020 | 820 | |||
| HU30/1250 | 130.40.1250.**? | 1445 | 1055 | 220 | 1393 | 1107 | 45 | 45 | 26 | 26 | 10 | 170 | 210 | 1290 | 1300 | 11100 | 1460 | 1200 | |||
| HU40/1400 | 130.40.1400.**? | 1595 | 1205 | 220 | 1543 | 1257 | 45 | 45 | 26 | 26 | 10 | 170 | 210 | 1440 | 1450 | 12400 | 1650 | 1300 | |||
| HU40/1600 | 130.40.1600.**? | 1795 | 1405 | 220 | 1743 | 1457 | 48 | 48 | 26 | 26 | 10 | 170 | 210 | 1640 | 1650 | 14200 | 1900 | 1520 | |||
| HU40/1800 | 130.40.1800.**? | 1995 | 1605 | 220 | 1943 | 1657 | 48 | 48 | 26 | 26 | 10 | 170 | 210 | 1840 | 1850 | 15900 | 2150 | 1750 | |||
| HU45/2000 | 130.45.2000.**? | 2195 | 1816 | 150 | 2127 | 1885 | 60 | 60 | 33 | 33 | 13 | 117 | 137 | 2041 | 16900 | 663 | 1120 | ||||
| HU45/2240 | 130.45.2240.**? | 2461 | 2019 | 231 | 2395 | 2085 | 60 | 60 | 33 | 33 | 12 | 177 | 219 | 2273 | 2295 | 23100 | 2680 | 2700 | |||
| HU45/2500 | 130.45.2500.**? | 2721 | 2279 | 231 | 2655 | 2345 | 72 | 72 | 33 | 33 | 12 | 177 | 219 | 2533 | 2555 | 25800 | 3020 | 3000 | |||
| HU45/2800 | 130.45.2800.**? | 3021 | 2579 | 231 | 2955 | 2645 | 72 | 72 | 33 | 33 | 12 | 177 | 219 | 2833 | 2855 | 28800 | 3390 | 3400 | |||
| HU50/3150 | 130.50.3150.**? | 3432 | 2868 | 270 | 3342 | 2958 | 72 | 72 | 45 | 45 | 12 | 205 | 258 | 3196 | 3213 | 35900 | 3810 | 5000 | |||
| HU50/3150Y | 130.50.3150.12K? | 3432 | 2868 | 270 | 3342 | 2958 | 72 | 72 | 45 | 45 | 12 | 220 | 258 | 3086 | 3103 | 37350 | 5020 | 4900 | |||
| HU50/3550 | 130.50.3550.**? | 3832 | 3268 | 270 | 3742 | 3358 | 72 | 72 | 45 | 45 | 12 | 202 | 258 | 3596 | 3613 | 40400 | 4310 | 5600 | |||
| HU70/3975 | 3-913G? | 4300 | 3650 | 355 | 4210 | 3750 | 90 | 90 | 48 | 48 | 65700 | 13300 | 9503 | ||||||||
| HU50/4000 | 130.50.4000.**? | 4282 | 3718 | 270 | 4192 | 3908 | 80 | 80 | 45 | 45 | 12 | 202 | 258 | 4046 | 4063 | 45600 | 4870 | 6400 | |||
| HU50/4500 | 130.50.4500.40? | 4782 | 4218 | 270 | 4692 | 4308 | 80 | 80 | 45 | 45 | 12 | 202 | 258 | 4546 | 4563 | 54450 | 5800 | 6942 | |||